发表于:2021/3/11 10:03:08
#0楼
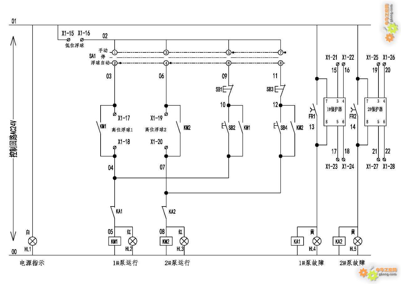
一控制柜在调试过程中发现问题。
浮球说明:
浮球两线制,浮起来NO变NC,沉下去NO;浮球线长30m,0.5平方,接通时阻值3.0-3.6(取车间同样规格浮球测).
存在问题:
1)低位浮球浮起来,手动状态起不来,柜内短接地位浮球线可手动起;
2)自动状态下,三个浮球全浮起来,自动也起不来,柜内仅短接低位浮球也起不了;
3)柜内短接低位和高位,可以启动
初步怀疑浮球线路上的压降大,但没有实测依据。
浮球说明:
浮球两线制,浮起来NO变NC,沉下去NO;浮球线长30m,0.5平方,接通时阻值3.0-3.6(取车间同样规格浮球测).
存在问题:
1)低位浮球浮起来,手动状态起不来,柜内短接地位浮球线可手动起;
2)自动状态下,三个浮球全浮起来,自动也起不来,柜内仅短接低位浮球也起不了;
3)柜内短接低位和高位,可以启动
初步怀疑浮球线路上的压降大,但没有实测依据。
[此贴子已经被jint于2021/3/15 8:53:05编辑过]
低头做事,抬头做人。
低调做人,高调做事。
低调做人,高调做事。







