返回工控网首页
|
| 添加到收藏夹
中国自动化学会专家咨询工作委员会指定宣传媒体
免费注册
广告服务
|
客服中心
您现在所在的是:
台达论坛
工控论坛首页
→
台达变频器
→ 浏览主题:
台达变频器制动电阻
回帖:
19
个,阅读:
5831
次
[上一页]
[1]
[2]
[下一页]
* 帖子主题:
台达变频器制动电阻
收藏
分享到
1732
产品体验中心会员
GAOYANG90050
文章数:
124
年度积分:
50
历史总积分:
1732
品牌积分(台达):
0
作者的所有帖子(124)
注册时间:
2012/6/17
发站内信
发表于:2018/3/29 7:25:47
#0楼
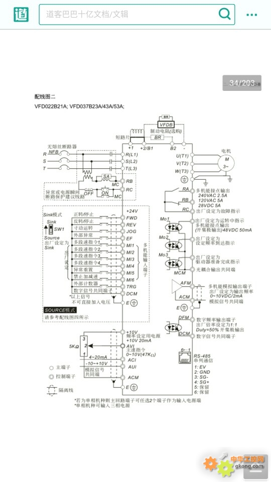
我需要往变频器上接制动电阻,说明书上一会制动电阻一会刹车电阻,还有的说刹车单元,他们是一种东西吗,还有怎么接线呢,看说明书图上画着vfbd和br这是啥东西制动电阻吗,制动电阻不就两根线吗,看图觉得制动电阻应接在b1和b2 上边,可警告又说会损坏变频器,搞不懂。大神指点下,另外接好制动电阻后停机方式选择什么?
此帖发自论坛手机版
【方案】
四川高速油罐车爆燃致2死2伤!危险化学品的储存与运输该如何规避风险?
只看该作者
|
赞
[0]
|
踩
[0]
|
引用
|
回复
|
编辑
|
推荐
|
举报
|
结帖
|
管理
1732
产品体验中心会员
GAOYANG90050
文章数:
124
年度积分:
50
历史总积分:
1732
品牌积分(台达):
0
作者的所有帖子(124)
注册时间:
2012/6/17
发站内信
发表于:2018/3/29 7:31:16
#1楼
大于15kw是不是制动电阻和制动单元都要安装?
此帖发自论坛手机版
【方案】
服务智能制造 | 华北工控工业机器人嵌入式产品方案
只看该作者
|
赞
[0]
|
踩
[0]
|
引用
|
回复
|
编辑
|
推荐
|
举报
|
管理
9405
xtswc
文章数:
306
年度积分:
62
历史总积分:
9405
品牌积分(台达):
0
作者的所有帖子(306)
注册时间:
2013/3/19
发站内信
发表于:2018/3/29 7:46:52
#2楼
要看内部有没有制动电路,有买电阻按B1B2处,没有两个都买,制动单元接B1和一处,电阻按制劲单元上,
此帖发自手机工控论坛
【方案】
图尔克状态监测传感器实现自动化气候控制
只看该作者
|
赞
[0]
|
踩
[0]
|
引用
|
回复
|
编辑
|
推荐
|
举报
|
管理
8602
gzlsj
文章数:
2656
年度积分:
50
历史总积分:
8602
品牌积分(台达):
0
作者的所有帖子(2656)
注册时间:
2008/11/10
发站内信
发表于:2018/3/29 8:07:56
#3楼
制动电阻接B1、B2上
【方案】
FA技术 | 运动控制产品模拟仿真和控制模式切换功能的使用技巧
只看该作者
|
赞
[0]
|
踩
[0]
|
引用
|
回复
|
编辑
|
推荐
|
举报
|
管理
1732
产品体验中心会员
GAOYANG90050
文章数:
124
年度积分:
50
历史总积分:
1732
品牌积分(台达):
0
作者的所有帖子(124)
注册时间:
2012/6/17
发站内信
发表于:2018/3/29 8:27:03
#4楼
台达说明书的表怎么18.5用这么多制动电阻,他们串联吗?
此帖发自论坛手机版
【方案】
针对倍福工业 PC 的工业级闪存设备
只看该作者
|
赞
[0]
|
踩
[0]
|
引用
|
回复
|
编辑
|
推荐
|
举报
|
管理
1732
产品体验中心会员
GAOYANG90050
文章数:
124
年度积分:
50
历史总积分:
1732
品牌积分(台达):
0
作者的所有帖子(124)
注册时间:
2012/6/17
发站内信
发表于:2018/3/29 8:27:44
#5楼
我的电机是18.5的
此帖发自论坛手机版
【方案】
台达中低压配电方案
只看该作者
|
赞
[0]
|
踩
[0]
|
引用
|
回复
|
编辑
|
推荐
|
举报
|
管理
1732
产品体验中心会员
GAOYANG90050
文章数:
124
年度积分:
50
历史总积分:
1732
品牌积分(台达):
0
作者的所有帖子(124)
注册时间:
2012/6/17
发站内信
发表于:2018/3/29 9:25:27
#6楼
怎么台达变频器说明书表格上写着用4个br1k2w008刹车电阻,一个是4800w32欧姆,四个怎么接串还是并?
此帖发自论坛手机版
【方案】
无需GSD 的Profinet转Modbus协议网关XCNet-MB-S
只看该作者
|
赞
[0]
|
踩
[0]
|
引用
|
回复
|
编辑
|
推荐
|
举报
|
管理
3765
makou
文章数:
164
年度积分:
65
历史总积分:
3765
品牌积分(台达):
4
作者的所有帖子(164)
注册时间:
2008/12/26
发站内信
发表于:2018/3/29 9:56:50
#7楼
前面是变频器带制动电路,配的刹车电阻4800W32欧。后面是用制动单元,配的制动电阻BR1K2W008(1.2KW 8欧)
【方案】
FA在线 | 1月TOP10问题集锦&中奖名单公布!
只看该作者
|
赞
[1]
|
踩
[0]
|
引用
|
回复
|
编辑
|
推荐
|
举报
|
管理
9405
xtswc
文章数:
306
年度积分:
62
历史总积分:
9405
品牌积分(台达):
0
作者的所有帖子(306)
注册时间:
2013/3/19
发站内信
发表于:2018/3/29 10:24:20
#8楼
那是你理解说明书说的意思,静下心把说明书从头到尾仔细看一下,就理解了,
此帖发自手机工控论坛
【方案】
图尔克使用UHF RFID进行物料检测
只看该作者
|
赞
[0]
|
踩
[0]
|
引用
|
回复
|
编辑
|
推荐
|
举报
|
管理
14916
产品体验中心会员
liuhuoaaa
文章数:
8568
年度积分:
50
历史总积分:
14916
品牌积分(台达):
9
作者的所有帖子(8568)
注册时间:
2007/6/11
发站内信
发表于:2018/3/29 10:59:50
#9楼
请仔细阅读说明书再说!
【方案】
全自动 Makeline 系统以最高点单准确率每小时制备 350 份菜肴
只看该作者
|
赞
[0]
|
踩
[0]
|
引用
|
回复
|
编辑
|
推荐
|
举报
|
管理
工控学堂推荐视频:
PLC学习视频
变频器学习视频
西门子学习视频
三菱学习视频
更多学习视频>>
•
[视频课程]变频器维修从入门到精通
•
[视频课程]变频器PID功能精讲
•
[视频课程]汇川变频器功能参数设置及实操训练
•
[视频课程]变频器、伺服和步进驱动技术应用
•
[视频课程]西门子变频器参数设置和实操训练
•
[视频课程]PID控制规律及其应用
•
[视频课程]模拟量控制基础知识
•
[视频课程]0基础玩转变频器
•
[视频课程]三菱FX5U系列精品课程基础篇
62.4004