返回工控网首页
|
| 添加到收藏夹
中国自动化学会专家咨询工作委员会指定宣传媒体
免费注册
广告服务
|
客服中心
您现在所在的是:
电工技术
工控论坛首页
→
电工技术
→ 浏览主题:
接触器这样子接的意义
回帖:
52
个,阅读:
2796
次
[上一页]
[1]
[2]
[3]
[4]
[5]
[6]
[下一页]
* 帖子主题:
接触器这样子接的意义
收藏
分享到
16206
产品体验中心会员
wml0060
文章数:
4909
年度积分:
50
历史总积分:
16206
作者的所有帖子(4909)
注册时间:
2007/6/8
发站内信
发表于:2016/8/7 22:48:42
#50楼
是不是这样子的:
【方案】
台达变频器在中频臭氧发生器中的应用
只看该作者
|
赞
[0]
|
踩
[0]
|
引用
|
回复
|
编辑
|
推荐
|
举报
|
管理
16206
产品体验中心会员
wml0060
文章数:
4909
年度积分:
50
历史总积分:
16206
作者的所有帖子(4909)
注册时间:
2007/6/8
发站内信
发表于:2016/8/7 22:51:09
#51楼
这样子:
【方案】
制造业的自动化发展,FLIR Axxx系列为产品质量“保驾护航”!
只看该作者
|
赞
[0]
|
踩
[0]
|
引用
|
回复
|
编辑
|
推荐
|
举报
|
管理
20178
高雅的雅
文章数:
15776
年度积分:
-210
历史总积分:
20178
作者的所有帖子(15776)
注册时间:
2015/5/12
发站内信
2018论坛解答高手
发表于:2016/8/8 14:25:48
#52楼
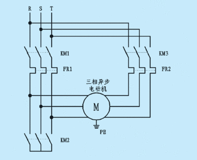
右侧应该是星三角启动,左侧没有看清楚
那一瞬间忽然不再想你,因为去一趟漠河,走了一趟西藏,逛了一趟天涯海角,泡了一会栖谷温泉,回来就是:一切随他去吧,该咋过咋过!!车祸不死感言
【方案】
智领物流——华北工控物流配送自动化设备专用嵌入式计算机产品方案
只看该作者
|
赞
[0]
|
踩
[0]
|
引用
|
回复
|
编辑
|
推荐
|
举报
|
管理
工控学堂推荐视频:
PLC学习视频
变频器学习视频
西门子学习视频
三菱学习视频
更多学习视频>>
•
[视频课程]电工进阶电气工程师的一百种可能
•
[视频课程]你还不会电机正反转电路吗
•
[视频课程]三节课掌握星三角程序编写
•
[视频课程]电工如何快速入门PLC
•
[视频课程]十年老电工实操系列之从小白到超越中级
•
[视频课程]低压电工考证实操教程之电机控制接线实操
•
[视频课程]应用中的电动机控制与保护元器件选择
•
[视频课程]老司机带你玩转电工仪器仪表
•
[视频课程]电工操作证实操--科目二
46.8003