发表于:2026/3/7 17:38:43
#0楼
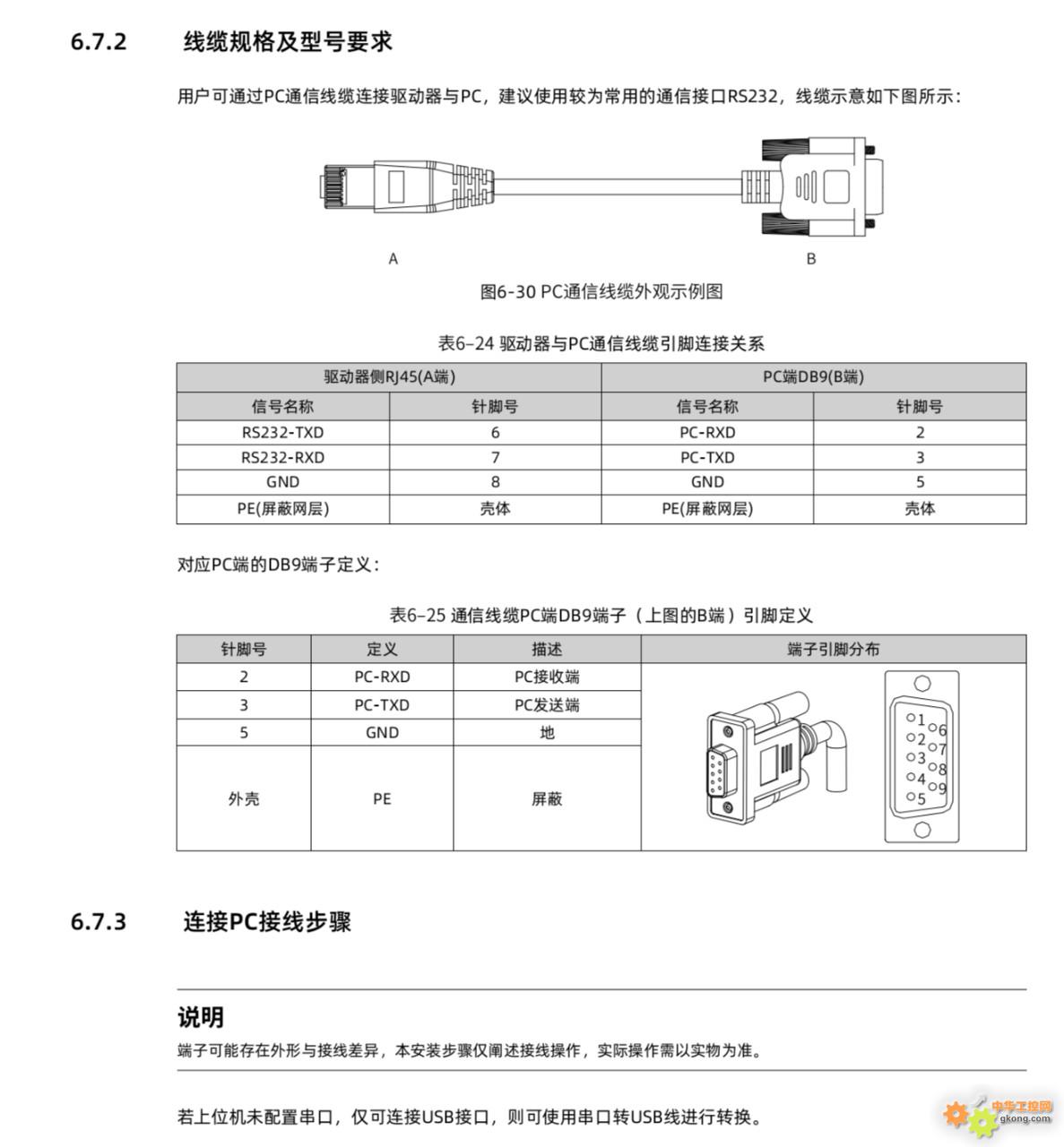
型号是汇川SV660N,他本机带一个CN5网口,是一个串口协议,需要串口线连接,我根据他们的手册,把一根网线的678连接上DB9的235,数据线做好了,用的也是力特的USB转232的线,力特的也换了2根,连接的这根自制的线,连了好长时间就是连不是,我现在试着换了3个电脑包括WIN7和WIN10系统,数据线做了2根,软件就是扫描不到这个驱动器,问题找不到,试着换了好几个驱动器也是这样,驱动器我看参数站号是1,波特率我设置了9600,现在找不到问题,问汇川客服,客服是一女生,也说没发现问题,那么这个问题到底出在哪里,各位老师谁这样连过这款伺服,可能是哪里的问题呢?自己做的线不对?还是哪里没设置好,谢谢各位老师们。困扰好几天了。














