返回工控网首页
|
| 添加到收藏夹
中国自动化学会专家咨询工作委员会指定宣传媒体
免费注册
广告服务
|
客服中心
您现在所在的是:
变频器维修
工控论坛首页
→
变频器维修
→ 浏览主题:
求助ABB580变频器7191故障码维修思路
回帖:
3
个,阅读:
26
次
[上一页]
[1]
[下一页]
* 帖子主题:
求助ABB580变频器7191故障码维修思路
收藏
分享到
401
灯泡电工
文章数:
112
年度积分:
401
历史总积分:
401
作者的所有帖子(112)
注册时间:
2022/8/12
发站内信
发表于:2025/10/5 14:01:20
#0楼
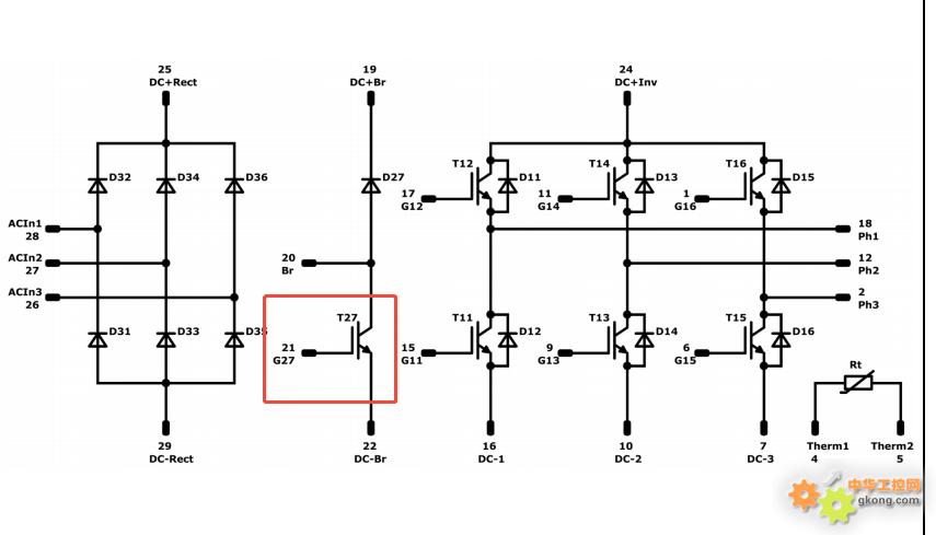
制动斩波器IGBT短路,指的下图这个吗?
我实测模块是好的,导通也是正常的。
这种维修思路是什么?请大师傅指点一下。
【方案】
UHF RFID在食品物流行业应用
只看该作者
|
赞
[0]
|
踩
[0]
|
引用
|
回复
|
编辑
|
推荐
|
举报
|
结帖
|
管理
17652
yuanyuesheng
文章数:
3423
年度积分:
1175
历史总积分:
17652
作者的所有帖子(3423)
注册时间:
2005/4/12
发站内信
发表于:2025/10/5 14:06:16
#1楼
制动IGBT,也是要由CPU板触发其驱动电路来工作的。所以,再查制动驱动电路吧。
[此贴子已经被作者于2025/10/5 14:06:54编辑过]
【方案】
FLIR A70获得消防部门高度认可,让生物质发电厂避免火灾风
只看该作者
|
赞
[0]
|
踩
[0]
|
引用
|
回复
|
编辑
|
推荐
|
举报
|
管理
401
灯泡电工
文章数:
112
年度积分:
401
历史总积分:
401
作者的所有帖子(112)
注册时间:
2022/8/12
发站内信
发表于:2025/10/5 14:20:12
#2楼
回复 #1楼 yuanyuesheng
驱动电路,好的。我朝这个方向查查看。
【方案】
FA技术 | 伺服系统 Motorizer软件介绍及滚珠丝杆模块选型方法
只看该作者
|
赞
[0]
|
踩
[0]
|
引用
|
回复
|
编辑
|
推荐
|
举报
|
管理
10592
397679140
文章数:
298
年度积分:
876
历史总积分:
10592
作者的所有帖子(298)
注册时间:
2013/11/8
发站内信
发表于:2025/10/5 20:05:50
#3楼
参数有设置制动,接个电阻在制动端子一般能解决
【方案】
华北工控:积极适配国产芯片,赋能嵌入式计算机的国产替代
只看该作者
|
赞
[0]
|
踩
[0]
|
引用
|
回复
|
编辑
|
推荐
|
举报
|
管理
工控学堂推荐视频:
PLC学习视频
变频器学习视频
西门子学习视频
三菱学习视频
更多学习视频>>
•
[视频课程]电工进阶电气工程师的一百种可能
•
[视频课程]你还不会电机正反转电路吗
•
[视频课程]三节课掌握星三角程序编写
•
[视频课程]电工如何快速入门PLC
•
[视频课程]十年老电工实操系列之从小白到超越中级
•
[视频课程]低压电工考证实操教程之电机控制接线实操
•
[视频课程]应用中的电动机控制与保护元器件选择
•
[视频课程]老司机带你玩转电工仪器仪表
•
[视频课程]电工操作证实操--科目二
46.8003