发表于:2020/12/19 12:39:55
#0楼
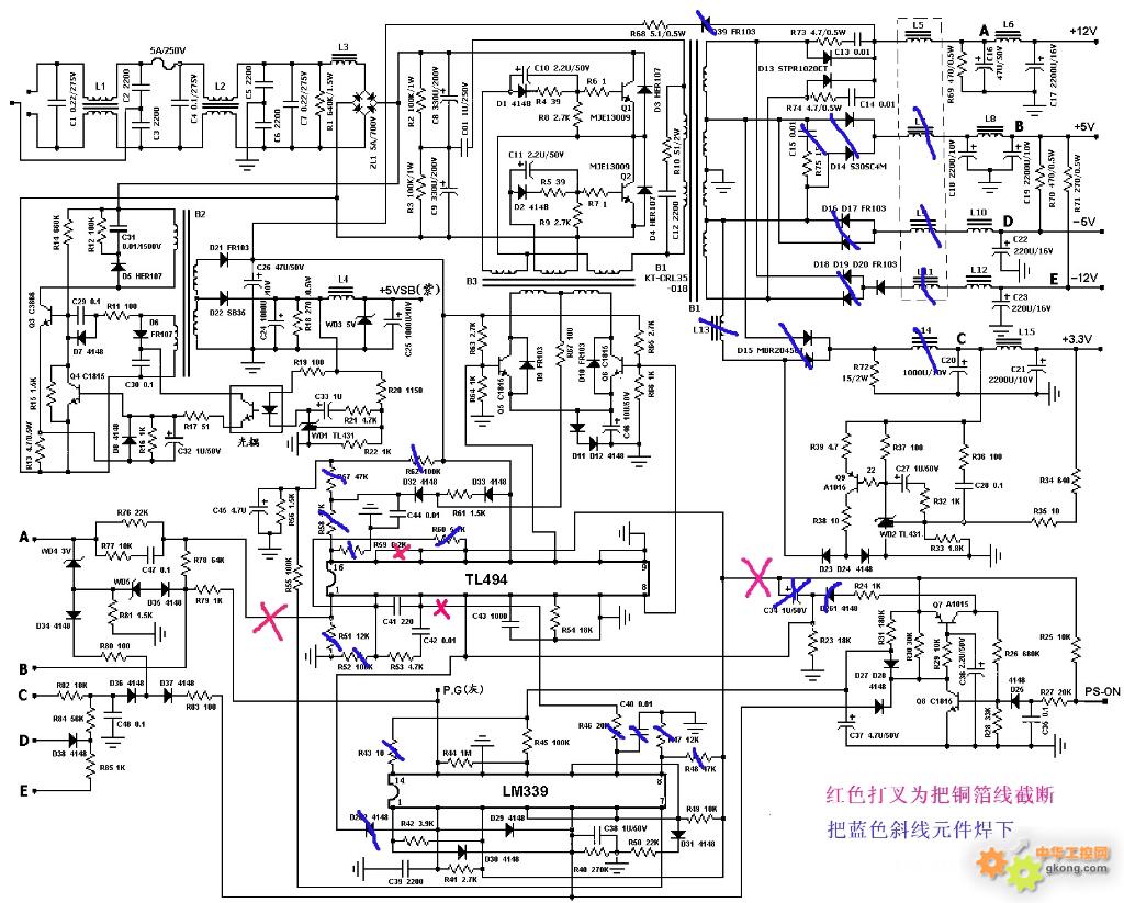
找到一个库存电脑电源,准备改一个60AH磷酸铁锂电池组的充电器(充满电电压14.4V),有相关改装过的人吗?
因为电池组也是买单体15AH3.2V(充满电3.6V)电池自己组装的,想自己改装充电器玩玩
因为电池组也是买单体15AH3.2V(充满电3.6V)电池自己组装的,想自己改装充电器玩玩
那一瞬间忽然不再想你,因为去一趟漠河,走了一趟西藏,逛了一趟天涯海角,泡了一会栖谷温泉,回来就是:一切随他去吧,该咋过咋过!!车祸不死感言












