发表于:2005/7/22 11:51:00
#0楼
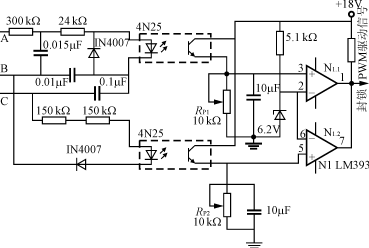
请我大家这个缺相保护电路是怎么实现保护的.谢谢了 大家一般缺相保护都是用的变压器吗 .不要变压器有什么好的办法吗







