发表于:2017/9/2 7:27:00
#0楼
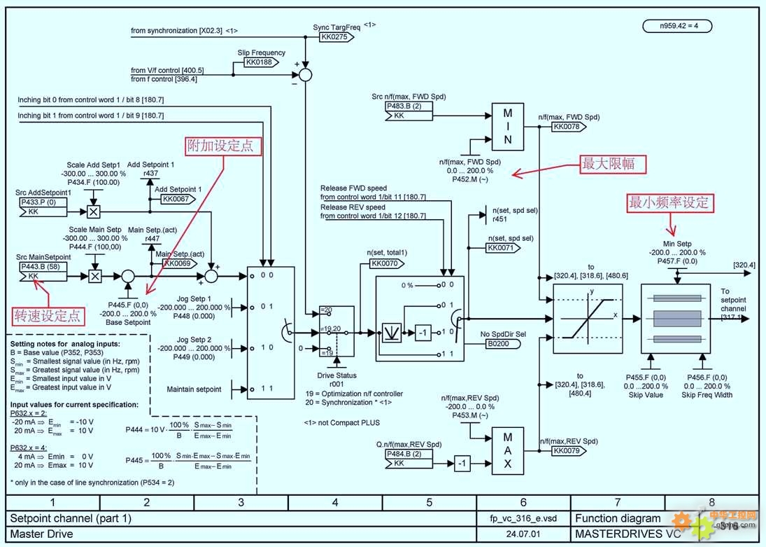
西门子6SE70变频器如何设置变频器下限频率,矢量大全都看了一遍了硬是没找到,是设置哪个参数,求大侠提示一下
此帖发自手机工控论坛
革命尚未成功;
同志仍须努力!
------------------湘K坦克
同志仍须努力!
------------------湘K坦克






