发表于:2017/3/25 18:32:22
#0楼
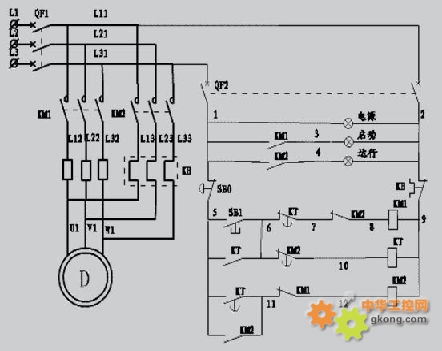
控制电路的特点
1. 电路适用于(10-20)KW的三相异步电动机,要求平稳启动的场合。选用铸铁或板式电阻,阻值按下边公式近似计算。其中的I1 和I2 ,是启动前-后的电流,约为额定电流的7倍和2-3倍。因用于短时的启动,功率选取标准计算的1/3。
2. 电路设置有QF1和QF2断路器作短路保护,用热继电器KH作电机长期过载保护。
3. 电路还设置了KM1和KM2之间的电气联锁,同时选用带延时头的KM2接触器,待自己充分吸合以后再断开KT,保证控制电路的正常运行和工作可靠性。
4. 电路还设置了启动和运行的指示灯,监视系统的运行情况。在启动过程,当启动指示灯长期燃亮,则说明其转换失败;当合上电源开关时运行指示灯燃亮,则说明运行接触器KM2已经熔焊。
5. KT选用一般的得电延时继电器,整定值在3~5S或现场确认。
1. 电路适用于(10-20)KW的三相异步电动机,要求平稳启动的场合。选用铸铁或板式电阻,阻值按下边公式近似计算。其中的I1 和I2 ,是启动前-后的电流,约为额定电流的7倍和2-3倍。因用于短时的启动,功率选取标准计算的1/3。
2. 电路设置有QF1和QF2断路器作短路保护,用热继电器KH作电机长期过载保护。
3. 电路还设置了KM1和KM2之间的电气联锁,同时选用带延时头的KM2接触器,待自己充分吸合以后再断开KT,保证控制电路的正常运行和工作可靠性。
4. 电路还设置了启动和运行的指示灯,监视系统的运行情况。在启动过程,当启动指示灯长期燃亮,则说明其转换失败;当合上电源开关时运行指示灯燃亮,则说明运行接触器KM2已经熔焊。
5. KT选用一般的得电延时继电器,整定值在3~5S或现场确认。
[此贴子已经被作者于2017/3/25 18:39:58编辑过]
好好学习,天天向上。
只要努力,就会有收获。
春播、夏种、秋收、冬藏。
只要努力,就会有收获。
春播、夏种、秋收、冬藏。







