发表于:2016/8/1 22:17:55
#0楼
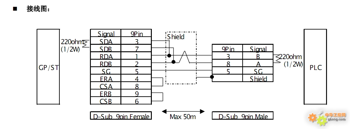
GP4501TW与西门子300的MPI通讯线能自己制作吗?能的话给发个接线图。谢谢






