返回工控网首页
|
| 添加到收藏夹
中国自动化学会专家咨询工作委员会指定宣传媒体
免费注册
广告服务
|
客服中心
您现在所在的是:
PLC论坛
工控论坛首页
→
PLC论坛
→ 浏览主题:
差动输入 这两种接法都对吗?
回帖:
16
个,阅读:
1887
次
[上一页]
[1]
[2]
[下一页]
* 帖子主题:
差动输入 这两种接法都对吗?
收藏
分享到
781
qqbaobaolove
文章数:
27
年度积分:
50
历史总积分:
781
作者的所有帖子(27)
注册时间:
2014/2/16
发站内信
发表于:2015/11/13 13:15:53
#0楼
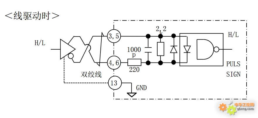
差动输入的FP+ FP- 可以随便接吗?有没有正负之分?
【方案】
TwinCAT 3.1 运动学变换功能库 Level 4
只看该作者
|
赞
[1]
|
踩
[0]
|
引用
|
回复
|
编辑
|
推荐
|
举报
|
结帖
|
管理
49259
产品体验中心会员
kdrjl
版主
文章数:
24260
年度积分:
50
历史总积分:
49259
作者的所有帖子(24260)
注册时间:
2004/2/17
发站内信
2018论坛优秀版主
2017论坛优秀版主
2016论坛优秀版主
2015论坛优秀版主
2014论坛优秀版主
我秀我做2014
2013论坛优秀版主
秀秀我的办公桌
晒晒工控小礼品
2012论坛优秀版主
2011论坛贡献奖
2010年论坛优秀版主
发表于:2015/11/13 14:09:06
#1楼
明显是不行呀。下面那个正确。有极性的。正负必须对应。
[此贴子已经被作者于2015/11/13 14:09:24编辑过]
我是你的朋友
【方案】
图尔克使用分布式I/O解决方案将制药领域的滑撬设备 联网
只看该作者
|
赞
[1]
|
踩
[0]
|
引用
|
回复
|
编辑
|
推荐
|
举报
|
管理
781
qqbaobaolove
文章数:
27
年度积分:
50
历史总积分:
781
作者的所有帖子(27)
注册时间:
2014/2/16
发站内信
发表于:2015/11/13 14:22:08
#2楼
回复 #1楼 kdrjl
哦 谢谢了 难道FX2N-10PG说明书上的错了?
【方案】
NORCO系列工控机在通信机房动力及环境集中监控系统中的应用
只看该作者
|
赞
[1]
|
踩
[0]
|
引用
|
回复
|
编辑
|
推荐
|
举报
|
管理
49259
产品体验中心会员
kdrjl
版主
文章数:
24260
年度积分:
50
历史总积分:
49259
作者的所有帖子(24260)
注册时间:
2004/2/17
发站内信
2018论坛优秀版主
2017论坛优秀版主
2016论坛优秀版主
2015论坛优秀版主
2014论坛优秀版主
我秀我做2014
2013论坛优秀版主
秀秀我的办公桌
晒晒工控小礼品
2012论坛优秀版主
2011论坛贡献奖
2010年论坛优秀版主
发表于:2015/11/13 14:26:18
#3楼
那就不知道了,反正这个图解释不通,发光二极管正能是正向导通才对呀。反向截止是必然的。你可以问问厂家,是不是说明书笔误了?嘻嘻
我是你的朋友
【方案】
图尔克角行程执行器的监测
只看该作者
|
赞
[1]
|
踩
[0]
|
引用
|
回复
|
编辑
|
推荐
|
举报
|
管理
781
qqbaobaolove
文章数:
27
年度积分:
50
历史总积分:
781
作者的所有帖子(27)
注册时间:
2014/2/16
发站内信
发表于:2015/11/13 14:27:19
#4楼
回复 #3楼 kdrjl
好的
【方案】
台达全自动压合方案 让牙科手术刀组装更柔性
只看该作者
|
赞
[1]
|
踩
[0]
|
引用
|
回复
|
编辑
|
推荐
|
举报
|
管理
24624
mjinbao
文章数:
13933
年度积分:
50
历史总积分:
24624
作者的所有帖子(13933)
注册时间:
2013/1/12
发站内信
2018春节活动(三)
2017春节活动(三)
2016国庆活动(三)
发表于:2015/11/13 14:46:17
#5楼
需要查证FX2N-10PG的输出端子没画错,右边部分可能只是个示意(不是说可以错);
右边部分是否笔误,还可以找相关资料对照(如不同版本的手册等)。
【方案】
分布式案例技术的模块化生产
只看该作者
|
赞
[1]
|
踩
[0]
|
引用
|
回复
|
编辑
|
推荐
|
举报
|
管理
781
qqbaobaolove
文章数:
27
年度积分:
50
历史总积分:
781
作者的所有帖子(27)
注册时间:
2014/2/16
发站内信
发表于:2015/11/13 14:52:27
#6楼
回复 #5楼 mjinbao
我查了下松下的伺服也是这样画的
【方案】
中达自动化方案在外圆磨床上的高效应用
只看该作者
|
赞
[1]
|
踩
[0]
|
引用
|
回复
|
编辑
|
推荐
|
举报
|
管理
8865
dbq
文章数:
1380
年度积分:
50
历史总积分:
8865
作者的所有帖子(1380)
注册时间:
2002/10/10
发站内信
2015【逛工博】(三)
发表于:2015/11/13 15:06:20
#7楼
示意图嘛,过了双绞电缆以后一般也就胡乱画了,实际接线要按端子的正负一一对应的,不必纠结它的图
【方案】
阿联酋阿布扎比市Sheikh Zayed隧道自动事件检测与交通数据采集
只看该作者
|
赞
[1]
|
踩
[0]
|
引用
|
回复
|
编辑
|
推荐
|
举报
|
管理
781
qqbaobaolove
文章数:
27
年度积分:
50
历史总积分:
781
作者的所有帖子(27)
注册时间:
2014/2/16
发站内信
发表于:2015/11/13 15:13:55
#8楼
回复 #7楼 dbq
好的 3Q
【方案】
红外热像仪:高性价比的周界保护解决方案
只看该作者
|
赞
[1]
|
踩
[0]
|
引用
|
回复
|
编辑
|
推荐
|
举报
|
管理
24624
mjinbao
文章数:
13933
年度积分:
50
历史总积分:
24624
作者的所有帖子(13933)
注册时间:
2013/1/12
发站内信
2018春节活动(三)
2017春节活动(三)
2016国庆活动(三)
发表于:2015/11/13 15:19:23
#9楼
可以查一下M26LS31的资料,以帮助了解;先不认为其错,而是问为什么。
能够确认错了,再说。
【方案】
气压传动产品在机械手上的应用
只看该作者
|
赞
[1]
|
踩
[0]
|
引用
|
回复
|
编辑
|
推荐
|
举报
|
管理
工控学堂推荐视频:
PLC学习视频
变频器学习视频
西门子学习视频
三菱学习视频
更多学习视频>>
•
[视频课程]一个小时教你学会升降输送系统编程方法
•
[视频课程]零基础快速入门西门子S7-1500PLC
•
[视频课程]西门子S7-200SMART如何快速找回原点
•
[视频课程]三菱PLC程序进制转化你懂了吗
•
[视频课程]台达DVP系列入门精讲
•
[视频课程]七节课带你全面认识西门子S7-1200
•
[视频课程]西门子S7-1500TCPU应用
•
[视频课程]西门子S7-1200与欧姆龙温控仪表的自由口通信
•
[视频课程]西门子S7-200SMART带参数子程序使用详解
249.6016