发表于:2015/8/13 19:19:59
#0楼
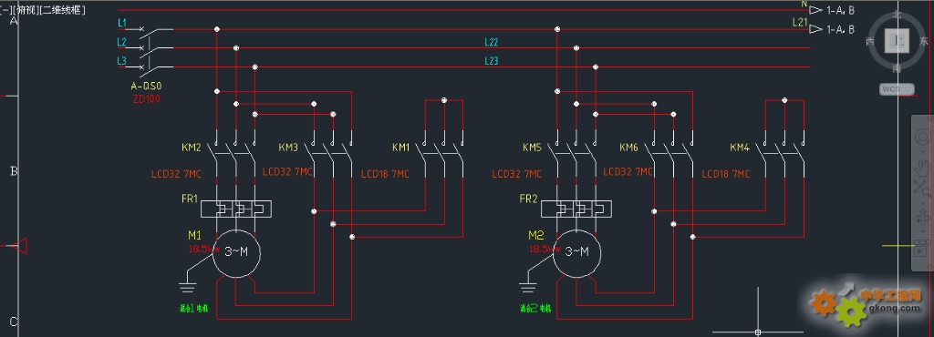
求一22千瓦电机的星三角启动图纸.太久没做了都忘了.







