发表于:2015/6/1 22:28:33
#0楼
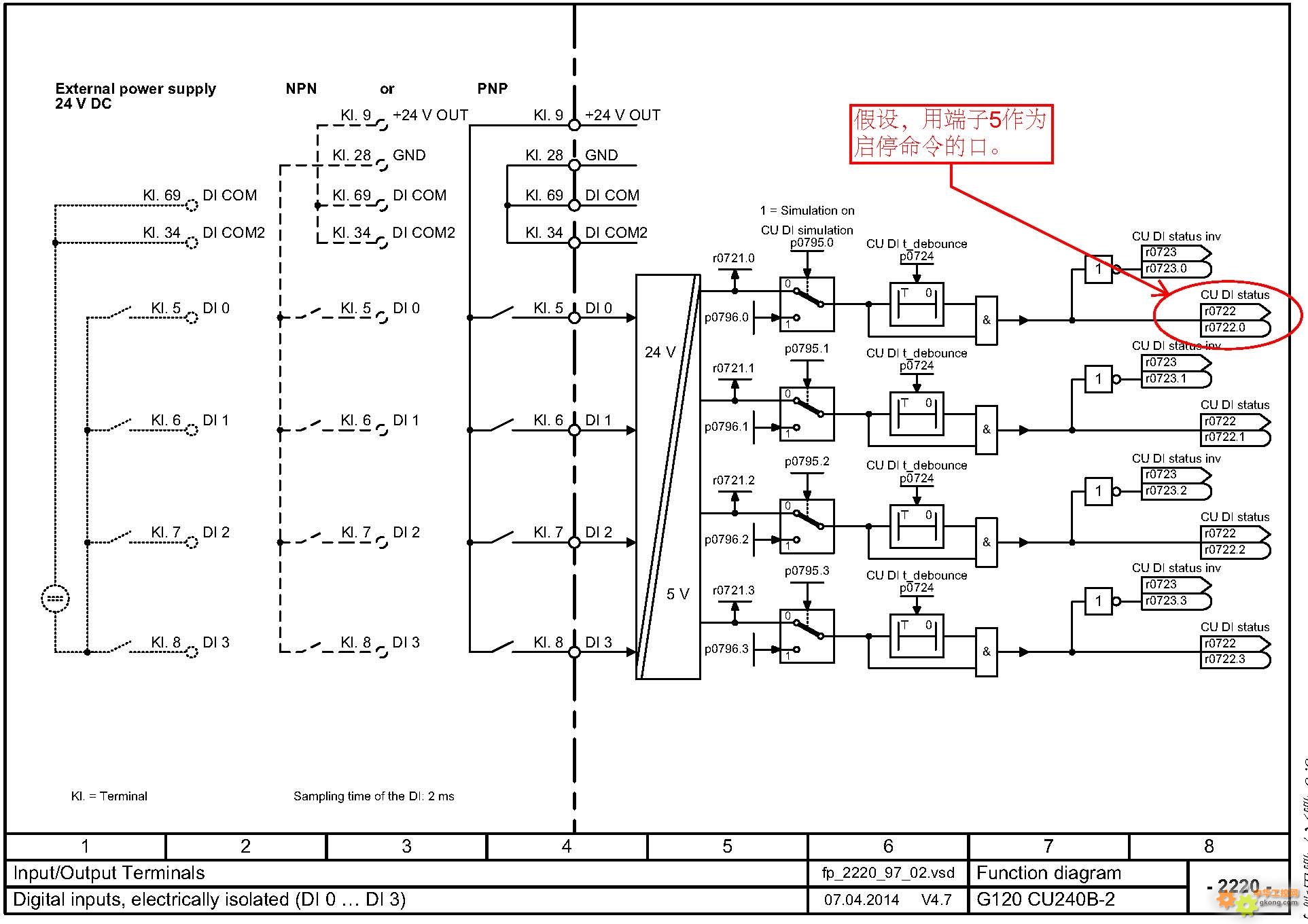
西门子G120变频器 CU240E-2PN宏程序P15设置为4现场总线控制时,能否通过端子DI0控制变频器启停?如果能,怎么设置参数
10分悬赏








