返回工控网首页
|
| 添加到收藏夹
中国自动化学会专家咨询工作委员会指定宣传媒体
免费注册
广告服务
|
客服中心
您现在所在的是:
我秀我做2014
工控论坛首页
→
我秀我做2014
→ 浏览主题:
自動化背膠貼合機更新
回帖:
9
个,阅读:
1122
次
[上一页]
[1]
[下一页]
* 帖子主题:
自動化背膠貼合機更新
收藏
分享到
1284
820813283
文章数:
23
年度积分:
50
历史总积分:
1284
作者的所有帖子(23)
注册时间:
2009/7/5
发站内信
发表于:2015/2/26 21:43:06
#0楼
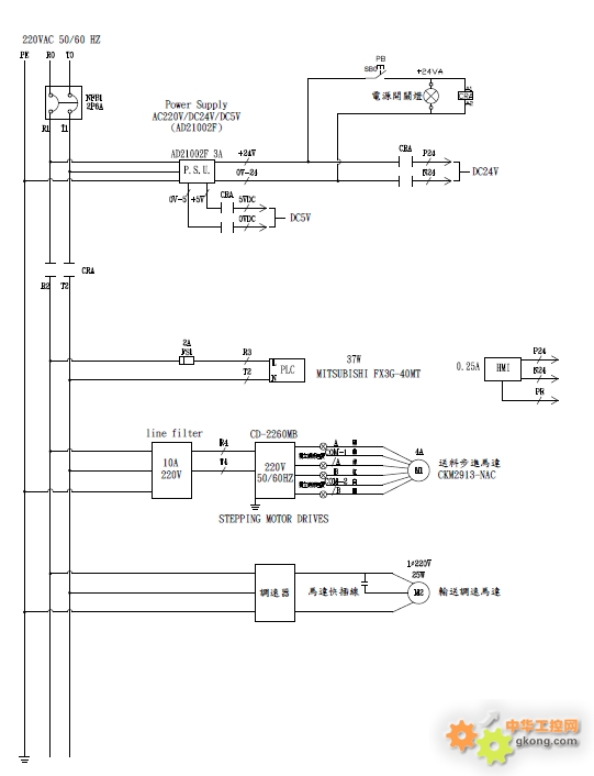
自動化背膠貼合機更新,較上次上傳內容有更新,待後續調試完成後一併將整體設備寫真呈上,請見諒
[upload=jpg]/uploadImages12/11999a1f88aeb5f
62cf91f6e9f3f1abd00abc2e8.jpg#控制原理图.jpg[/upload]
【方案】
精彩视频 | 倍福资讯直通车——MX-System
只看该作者
|
赞
[1]
|
踩
[0]
|
引用
|
回复
|
编辑
|
推荐
|
举报
|
结帖
|
管理
1284
820813283
文章数:
23
年度积分:
50
历史总积分:
1284
作者的所有帖子(23)
注册时间:
2009/7/5
发站内信
发表于:2015/2/26 21:47:22
#1楼
另附一張本設備電氣原理圖
【方案】
华北工控:发挥工控机硬件优势,助力机器视觉的多场景应用
只看该作者
|
赞
[2]
|
踩
[0]
|
引用
|
回复
|
编辑
|
推荐
|
举报
|
管理
21941
产品体验中心会员
yejingmao
文章数:
12575
年度积分:
50
历史总积分:
21941
作者的所有帖子(12575)
注册时间:
2007/5/3
发站内信
2017春节活动(三)
发表于:2015/2/27 7:59:58
#2楼
配线不是很专业哦
自学成才!
【方案】
华北工控MITX-6990嵌入式主板,支持工业机器人控制应用
只看该作者
|
赞
[1]
|
踩
[0]
|
引用
|
回复
|
编辑
|
推荐
|
举报
|
管理
6963
lllllwh
文章数:
629
年度积分:
50
历史总积分:
6963
作者的所有帖子(629)
注册时间:
2013/9/11
发站内信
2016国庆活动(三)
发表于:2015/2/27 8:21:14
#3楼
线路图画的很漂亮,是什么软件画的啊,楼主。像是日本人的画图软件,
【方案】
应用于熔炉和模具:利用热成像优化钢包系统钢液流量
只看该作者
|
赞
[1]
|
踩
[0]
|
引用
|
回复
|
编辑
|
推荐
|
举报
|
管理
4593
732475658
文章数:
421
年度积分:
59
历史总积分:
4593
作者的所有帖子(421)
注册时间:
2009/9/29
发站内信
发表于:2015/2/27 12:07:22
#4楼
楼主的CAD图纸画的不错,赞一个
【方案】
FLIR光学气体热像仪助力检测空气中的气体泄漏
只看该作者
|
赞
[1]
|
踩
[0]
|
引用
|
回复
|
编辑
|
推荐
|
举报
|
管理
1449
产品体验中心会员
philips105s
文章数:
255
年度积分:
50
历史总积分:
1449
作者的所有帖子(255)
注册时间:
2009/7/13
发站内信
发表于:2015/2/28 11:34:04
#5楼
同意楼上,出图不错,配线有点乱
【方案】
图尔克印刷彩色墨盒的识别
只看该作者
|
赞
[1]
|
踩
[0]
|
引用
|
回复
|
编辑
|
推荐
|
举报
|
管理
1668
247373545
文章数:
398
年度积分:
50
历史总积分:
1668
作者的所有帖子(398)
注册时间:
2014/8/14
发站内信
发表于:2015/2/28 16:21:37
#6楼
没有机械部分不知道干嘛的。。。
【方案】
英威腾变频器在雕铣机主轴电机上的应用
只看该作者
|
赞
[1]
|
踩
[0]
|
引用
|
回复
|
编辑
|
推荐
|
举报
|
管理
727
岩征仪器
文章数:
15
年度积分:
50
历史总积分:
727
作者的所有帖子(15)
注册时间:
2013/6/17
发站内信
发表于:2015/3/20 15:02:46
#7楼
图画得的很有水平
光化学反应仪
]高压反应釜
岩征仪器,验证奇迹!!
【方案】
气体泄漏损失惨重,看捷克公用事业公司如何解决
只看该作者
|
赞
[1]
|
踩
[0]
|
引用
|
回复
|
编辑
|
推荐
|
举报
|
管理
15473
产品体验中心会员
deweg
文章数:
2078
年度积分:
200
历史总积分:
15473
作者的所有帖子(2078)
注册时间:
2005/6/10
发站内信
发表于:2015/3/28 19:57:45
#8楼
图画的不错,线配的一般
【方案】
主动地对抗超级细菌:汽化过氧化氢生物净化中的革新与协作|维萨拉
只看该作者
|
赞
[1]
|
踩
[0]
|
引用
|
回复
|
编辑
|
推荐
|
举报
|
管理
3579
产品体验中心会员
chenshiji618
文章数:
1111
年度积分:
53
历史总积分:
3579
作者的所有帖子(1111)
注册时间:
2010/3/7
发站内信
三菱电机活动(二)
发表于:2015/6/13 11:00:52
#9楼
三菱FX3G的么,这么少点
此帖发自论坛手机版
编个梯形图让生活工作中的所有烦恼自动运行去吧!
【方案】
汽车智能化发展,华北工控可提供智能座舱平台专用嵌入式计算机
只看该作者
|
赞
[1]
|
踩
[0]
|
引用
|
回复
|
编辑
|
推荐
|
举报
|
管理
工控学堂推荐视频:
PLC学习视频
变频器学习视频
西门子学习视频
三菱学习视频
更多学习视频>>
•
[视频课程]电工进阶电气工程师的一百种可能
•
[视频课程]你还不会电机正反转电路吗
•
[视频课程]三节课掌握星三角程序编写
•
[视频课程]电工如何快速入门PLC
•
[视频课程]十年老电工实操系列之从小白到超越中级
•
[视频课程]低压电工考证实操教程之电机控制接线实操
•
[视频课程]应用中的电动机控制与保护元器件选择
•
[视频课程]老司机带你玩转电工仪器仪表
•
[视频课程]电工操作证实操--科目二
93.6006