返回工控网首页
|
| 添加到收藏夹
中国自动化学会专家咨询工作委员会指定宣传媒体
免费注册
广告服务
|
客服中心
您现在所在的是:
PLC论坛
工控论坛首页
→
PLC论坛
→ 浏览主题:
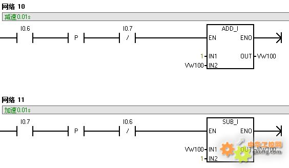
S7 200控制二相步进电机正反转,程序是否有问题?
回帖:
1
个,阅读:
351
次
[上一页]
[1]
[下一页]
* 帖子主题:
S7 200控制二相步进电机正反转,程序是否有问题?
收藏
分享到
702
chen19911010
文章数:
2
年度积分:
50
历史总积分:
702
作者的所有帖子(2)
注册时间:
2014/5/27
发站内信
发表于:2014/5/27 10:00:59
#0楼
【方案】
实点科技CC-Link IE Field Basic协议插片式远程IO模块在3C行业的应用
只看该作者
|
赞
[1]
|
踩
[0]
|
引用
|
回复
|
编辑
|
推荐
|
举报
|
结帖
|
管理
2316
zqy54271
文章数:
373
年度积分:
50
历史总积分:
2316
作者的所有帖子(373)
注册时间:
2014/5/6
发站内信
发表于:2014/6/12 9:28:53
#1楼
学习了,西门子就是难。
【方案】
行业 | 《智慧城市智慧多功能杆服务功能与运行管理规范》正式实施
只看该作者
|
赞
[0]
|
踩
[0]
|
引用
|
回复
|
编辑
|
推荐
|
举报
|
管理
工控学堂推荐视频:
PLC学习视频
变频器学习视频
西门子学习视频
三菱学习视频
更多学习视频>>
•
[视频课程]一个小时教你学会升降输送系统编程方法
•
[视频课程]零基础快速入门西门子S7-1500PLC
•
[视频课程]西门子S7-200SMART如何快速找回原点
•
[视频课程]三菱PLC程序进制转化你懂了吗
•
[视频课程]台达DVP系列入门精讲
•
[视频课程]七节课带你全面认识西门子S7-1200
•
[视频课程]西门子S7-1500TCPU应用
•
[视频课程]西门子S7-1200与欧姆龙温控仪表的自由口通信
•
[视频课程]西门子S7-200SMART带参数子程序使用详解
46.8003