返回工控网首页
|
| 添加到收藏夹
中国自动化学会专家咨询工作委员会指定宣传媒体
免费注册
广告服务
|
客服中心
您现在所在的是:
三菱Mitsubishi
工控论坛首页
→
三菱Mitsubishi
→ 浏览主题:
谁能帮我设计一个小程序
回帖:
10
个,阅读:
2927
次
[上一页]
[1]
[2]
[下一页]
* 帖子主题:
谁能帮我设计一个小程序
收藏
分享到
16293
产品体验中心会员
xuhuifox
文章数:
2973
年度积分:
220
历史总积分:
16293
作者的所有帖子(2973)
注册时间:
2005/3/25
发站内信
发表于:2005/4/13 13:15:00
#0楼
谁能帮我设计一个小程序
一切为了生活
【方案】
RFID产品在汽车焊装车间中的应用
只看该作者
|
赞
[1]
|
踩
[0]
|
引用
|
回复
|
编辑
|
推荐
|
举报
|
结帖
|
管理
983
DIPHZZG
文章数:
33
年度积分:
50
历史总积分:
983
作者的所有帖子(33)
注册时间:
2001/12/30
发站内信
发表于:2005/4/13 17:06:00
#1楼
此楼内容不符合板块规定,不予显示!
查看原帖内容>>
【方案】
LABVIEW通过BCNet-S7MPI 连接西门子S7-300
只看该作者
|
赞
[0]
|
踩
[0]
|
引用
|
回复
|
编辑
|
推荐
|
举报
|
管理
1052
daxue119
文章数:
53
年度积分:
50
历史总积分:
1052
作者的所有帖子(53)
注册时间:
2003/7/19
发站内信
发表于:2005/4/21 17:24:00
#2楼
很简单,不过想用什么样的PLC,说出你让大家做的最好理由,我就免费给你做。前提是让我觉得你的理由要有可信度!daxue119@yahoo.com.cn联系!
济南智恒自动化技术有限公司
http://www.sdplc.cn
深圳汇川山东核心合作伙伴
深圳汇川全国联保中心山东维修站
汇川变频器/汇川plc/汇川触摸屏/汇川伺服电机
【方案】
ABB高低压监测模块在开关电源系统上的应用
只看该作者
|
赞
[1]
|
踩
[0]
|
引用
|
回复
|
编辑
|
推荐
|
举报
|
管理
1678
djwang2000
文章数:
403
年度积分:
50
历史总积分:
1678
作者的所有帖子(403)
注册时间:
2004/12/14
发站内信
发表于:2005/4/21 18:27:00
#3楼
应该算简单程序吧?用到的指令种类又不多的,可以自己摸索一下
【方案】
FLIR A700热像仪+载人飞机,光伏缺陷检测成本可降低 80%!
只看该作者
|
赞
[1]
|
踩
[0]
|
引用
|
回复
|
编辑
|
推荐
|
举报
|
管理
1085
diphzzg01
文章数:
39
年度积分:
50
历史总积分:
1085
作者的所有帖子(39)
注册时间:
2005/4/14
发站内信
发表于:2005/4/23 9:25:00
#4楼
此楼内容不符合板块规定,不予显示!
查看原帖内容>>
【方案】
智慧出行 | 华北工控嵌入式计算机 可助力打造无感通行收费站
只看该作者
|
赞
[0]
|
踩
[0]
|
引用
|
回复
|
编辑
|
推荐
|
举报
|
管理
16293
产品体验中心会员
xuhuifox
文章数:
2973
年度积分:
220
历史总积分:
16293
作者的所有帖子(2973)
注册时间:
2005/3/25
发站内信
发表于:2005/4/28 14:01:00
#5楼
非常感谢大家的鼎力帮助
程序我已经写好了
也上机测试成功了
用的是FX2的三菱PLC
一切为了生活
【方案】
发展公交智能 | 华北工控助力智能公交电子站牌落地应用
只看该作者
|
赞
[1]
|
踩
[0]
|
引用
|
回复
|
编辑
|
推荐
|
举报
|
管理
1536
greatxu
文章数:
278
年度积分:
50
历史总积分:
1536
作者的所有帖子(278)
注册时间:
2005/4/2
发站内信
发表于:2005/4/29 8:14:00
#6楼
……
【方案】
倍福|EtherCAT 插拔式模块和测量端子模块在电池和电力电子器件测试系统中的应用
只看该作者
|
赞
[1]
|
踩
[0]
|
引用
|
回复
|
编辑
|
推荐
|
举报
|
管理
1073
大脚0822
文章数:
31
年度积分:
50
历史总积分:
1073
作者的所有帖子(31)
注册时间:
2006/3/31
发站内信
发表于:2006/5/10 17:52:00
#7楼
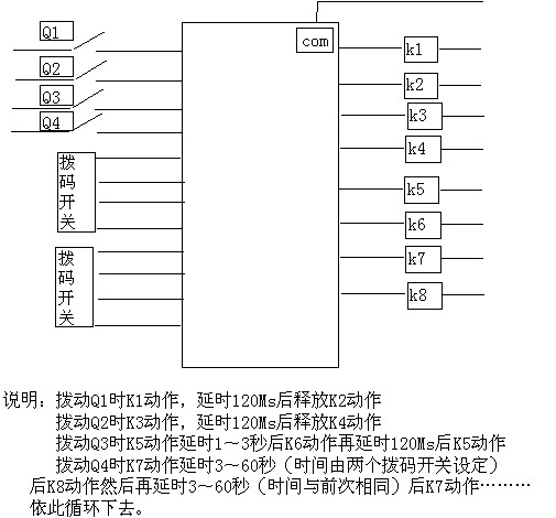
拨动Q1时K1动作,延时120Ms后释放K2动作 是什么意思?
有歧义,请回复
【方案】
地铁全线刷脸过闸 | 华北工控可提供地铁智慧票务系统专用计算机
只看该作者
|
赞
[1]
|
踩
[0]
|
引用
|
回复
|
编辑
|
推荐
|
举报
|
管理
16293
产品体验中心会员
xuhuifox
文章数:
2973
年度积分:
220
历史总积分:
16293
作者的所有帖子(2973)
注册时间:
2005/3/25
发站内信
发表于:2006/5/18 21:25:00
#8楼
就是在k1得电后要等120Ms后k2才得电
再次感谢大家的关注
一切为了生活
【方案】
图尔克 BLOCK I/0控制滚筒输送机模块
只看该作者
|
赞
[1]
|
踩
[0]
|
引用
|
回复
|
编辑
|
推荐
|
举报
|
管理
1056
zhuimengxian
文章数:
18
年度积分:
50
历史总积分:
1056
作者的所有帖子(18)
注册时间:
2006/6/16
发站内信
发表于:2006/6/19 20:24:00
#9楼
这个太简单了.
.我帮你.QQ297426161
【方案】
ABB为云顶香港新造邮轮提供推进系统、自动化系统和船舶软件
只看该作者
|
赞
[1]
|
踩
[0]
|
引用
|
回复
|
编辑
|
推荐
|
举报
|
管理
工控学堂推荐视频:
PLC学习视频
变频器学习视频
西门子学习视频
三菱学习视频
更多学习视频>>
•
[视频课程]三菱PLC程序进制转化你懂了吗
•
[视频课程]三菱FX5U简单CPU通信功能应用
•
[视频课程]三菱FX系列PLC的ST编程
•
[视频课程]搞懂三菱FX系列PLC编程指令,看这就够了
•
[视频课程]三菱FX系列PID应用
•
[视频课程]三菱FX系列PLC的FB使用讲解
•
[视频课程]30分钟带你了解三菱PLC模拟量应用
•
[视频课程]三菱FX5U系列精品课程基础篇
•
[视频课程]三菱PLC入门指导
93.6006