返回工控网首页
|
| 添加到收藏夹
中国自动化学会专家咨询工作委员会指定宣传媒体
免费注册
广告服务
|
客服中心
您现在所在的是:
变频器维修
工控论坛首页
→
变频器维修
→ 浏览主题:
请教台安N310变频器的模块P549-A 05内部电路图和贴片电阻!
回帖:
8
个,阅读:
8720
次
[上一页]
[1]
[下一页]
* 帖子主题:
请教台安N310变频器的模块P549-A 05内部电路图和贴片电阻!
收藏
分享到
1201
junjun956
文章数:
48
年度积分:
50
历史总积分:
1201
作者的所有帖子(48)
注册时间:
2008/7/16
发站内信
发表于:2012/3/14 23:26:19
#0楼
昨天接了一台台安N310 1.5KW变频器,拆开发现模块输出有烧毁,还有很多贴片电阻烧了,不过测量模块没有发现短路情况,所以想请教论坛的老师和朋友们这个模块(P549-A 05)的内部电路图
还有光耦输出到模块的64R9贴片电阻全烧毁了,请问可以用82欧姆的代替吗?光耦A3150V能否用A3120V代换?
另外再问下老师们是否有这种变频器的说明书,能发一个给我吗?谢谢您!
[此贴子已经被作者于2012/3/14 23:48:34编辑过]
【方案】
华北工控:围绕智能制造,积极拓展协作机器人产业应用
只看该作者
|
赞
[1]
|
踩
[0]
|
引用
|
回复
|
编辑
|
推荐
|
举报
|
结帖
|
管理
1201
junjun956
文章数:
48
年度积分:
50
历史总积分:
1201
作者的所有帖子(48)
注册时间:
2008/7/16
发站内信
发表于:2012/3/15 22:57:21
#1楼
各位老师和坛友都没有此变频器的资料吗?劳烦大家进来看看!谢谢
【方案】
易控INSPEC软件与西门子S7300系列PLC以太网通讯
只看该作者
|
赞
[1]
|
踩
[0]
|
引用
|
回复
|
编辑
|
推荐
|
举报
|
管理
19810
xq09181
版主
文章数:
3486
年度积分:
62
历史总积分:
19810
作者的所有帖子(3486)
注册时间:
2008/5/15
发站内信
2018论坛优秀版主
2017论坛优秀版主
2016论坛优秀版主
2015论坛贡献奖
2014论坛优秀版主
2013论坛贡献奖
2012论坛贡献奖
2011论坛贡献奖
2010年论坛优秀版主
09工控人生征文
08年最佳博客奖
发表于:2012/3/16 7:56:16
#2楼
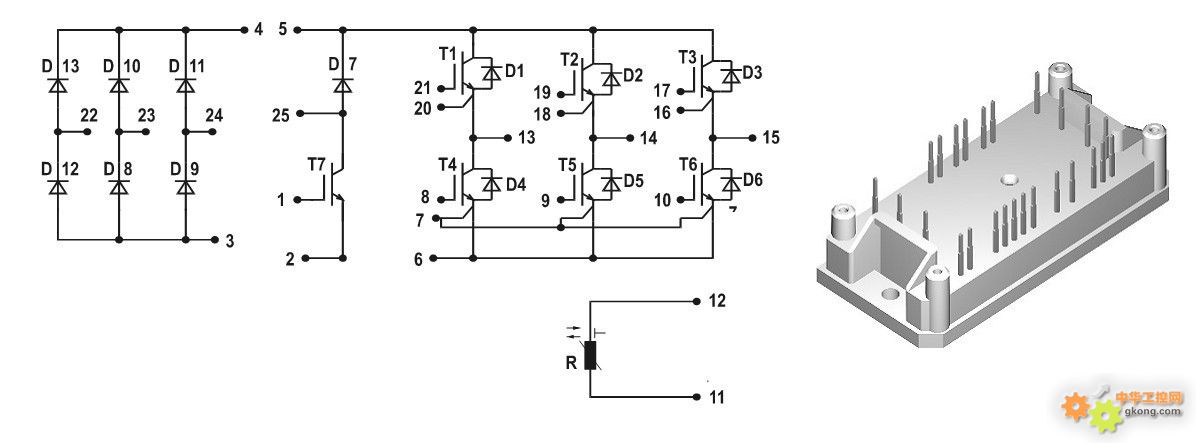
模块内部应该含整流电流、IGBT逆变电路、模块温度检测电路、IGBT驱动电路、IGBT故障检测电路,并返回OC报警信号。
请参考《变频器常用IC、模块资料汇集》帖子中的IPM的电路结构。楼主如结合外围电路和具体测量,也能大致判断模块的各个引脚功能。
咸庆信变频器维修专题博客:
http://blog.gkong.com/blog.asp?name=xq%30%39%31%38%31
【博客文章全为原创,多为维修笔记,旨在技术交流,互相提高。以变频维修及其它工控类文章为主,间或放进些诗歌散文,以起到阅读中的调适作用,也是原创。欢迎转载,欢迎留言探讨有关工控的技术问题!欢迎赐教与指正!转载最好注明文章出处标以转载字样,以期规范转载行为。所有文章大家随便看,不搞什么须登陆,须回复才能打开的设置!这是我的公告。--旷野之雪】
《精选工业电器电路原理图析与实用检修》、《变频器实用电路图集与原理图说》、《变频器电路维修与故障实例分析》、《PLC技术与应用——专业技能入门与精通》已经出版。
【方案】
台达PLC和HMI的控制系统在油压车床中上的应用
只看该作者
|
赞
[1]
|
踩
[0]
|
引用
|
回复
|
编辑
|
推荐
|
举报
|
管理
1201
junjun956
文章数:
48
年度积分:
50
历史总积分:
1201
作者的所有帖子(48)
注册时间:
2008/7/16
发站内信
发表于:2012/3/18 12:52:45
#3楼
版主,您好,内部结构我基本上清楚,可这个有点不同,就是测量三相上臂有阻尼二极管正反向阻值,三相下臂没有阻尼二极管,正反向斗为无穷大
【方案】
Beckhoff的集成式控制和驱动技术用于全自动化测试单元中的Delta机器人
只看该作者
|
赞
[1]
|
踩
[0]
|
引用
|
回复
|
编辑
|
推荐
|
举报
|
管理
19810
xq09181
版主
文章数:
3486
年度积分:
62
历史总积分:
19810
作者的所有帖子(3486)
注册时间:
2008/5/15
发站内信
2018论坛优秀版主
2017论坛优秀版主
2016论坛优秀版主
2015论坛贡献奖
2014论坛优秀版主
2013论坛贡献奖
2012论坛贡献奖
2011论坛贡献奖
2010年论坛优秀版主
09工控人生征文
08年最佳博客奖
发表于:2012/3/18 13:13:18
#4楼
噢,还未找到该模块的资料,手头也没有说明书。是啊,下臂IGBT没有并联二极管?不应该的啊。这个测量结果,让人不踏实啊。再找找资料吧。
[此贴子已经被作者于2012/3/18 13:15:32编辑过]
咸庆信变频器维修专题博客:
http://blog.gkong.com/blog.asp?name=xq%30%39%31%38%31
【博客文章全为原创,多为维修笔记,旨在技术交流,互相提高。以变频维修及其它工控类文章为主,间或放进些诗歌散文,以起到阅读中的调适作用,也是原创。欢迎转载,欢迎留言探讨有关工控的技术问题!欢迎赐教与指正!转载最好注明文章出处标以转载字样,以期规范转载行为。所有文章大家随便看,不搞什么须登陆,须回复才能打开的设置!这是我的公告。--旷野之雪】
《精选工业电器电路原理图析与实用检修》、《变频器实用电路图集与原理图说》、《变频器电路维修与故障实例分析》、《PLC技术与应用——专业技能入门与精通》已经出版。
【方案】
国家能源局:节能减排将是中美合作的重要领域
只看该作者
|
赞
[1]
|
踩
[0]
|
引用
|
回复
|
编辑
|
推荐
|
举报
|
管理
4113
bakfdc
文章数:
164
年度积分:
50
历史总积分:
4113
作者的所有帖子(164)
注册时间:
2010/4/28
发站内信
发表于:2012/3/18 17:00:27
#5楼
触发电阻全都烧了,IGBT已坏
下臂IGBT测量没有并联二极管,是IGBT内部都烧断路了
【方案】
建设智慧城市综合管理服务平台,华北工控计算机硬件可助力
只看该作者
|
赞
[1]
|
踩
[0]
|
引用
|
回复
|
编辑
|
推荐
|
举报
|
管理
1201
junjun956
文章数:
48
年度积分:
50
历史总积分:
1201
作者的所有帖子(48)
注册时间:
2008/7/16
发站内信
发表于:2012/3/21 22:43:39
#6楼
以下是引用
bakfdc在2012/3/18 17:00:27
的发言:
触发电阻全都烧了,IGBT已坏
下臂IGBT测量没有并联二极管,是IGBT内部都烧断路了
正如您所说,模块的6只管子全部烧了,下臂是完全烧断,上臂的二极管还没有烧断
【方案】
使用RFID技术识别药物
只看该作者
|
赞
[1]
|
踩
[1]
|
引用
|
回复
|
编辑
|
推荐
|
举报
|
管理
700
bboyleshi
文章数:
1
年度积分:
50
历史总积分:
700
作者的所有帖子(1)
注册时间:
2012/4/12
发站内信
发表于:2012/4/12 16:59:25
#7楼
N310
台安的N310系列 我这有说明书
【方案】
华北工控智能交通领域专用计算机,助力电子警察抓拍设备持续增设
只看该作者
|
赞
[1]
|
踩
[0]
|
引用
|
回复
|
编辑
|
推荐
|
举报
|
管理
750
zhuiis007
文章数:
5
年度积分:
50
历史总积分:
750
作者的所有帖子(5)
注册时间:
2018/7/27
发站内信
发表于:2019/12/25 16:38:33
#8楼
6楼给的功能图完全对不上模块引脚。。。。。。
【方案】
台达VFD-B-P系列变频器在石油焦输送机控制系统中应用
只看该作者
|
赞
[0]
|
踩
[0]
|
引用
|
回复
|
编辑
|
推荐
|
举报
|
管理
工控学堂推荐视频:
PLC学习视频
变频器学习视频
西门子学习视频
三菱学习视频
更多学习视频>>
•
[视频课程]电工进阶电气工程师的一百种可能
•
[视频课程]你还不会电机正反转电路吗
•
[视频课程]三节课掌握星三角程序编写
•
[视频课程]电工如何快速入门PLC
•
[视频课程]十年老电工实操系列之从小白到超越中级
•
[视频课程]低压电工考证实操教程之电机控制接线实操
•
[视频课程]应用中的电动机控制与保护元器件选择
•
[视频课程]老司机带你玩转电工仪器仪表
•
[视频课程]电工操作证实操--科目二
93.6006