返回工控网首页
|
| 添加到收藏夹
中国自动化学会专家咨询工作委员会指定宣传媒体
免费注册
广告服务
|
客服中心
您现在所在的是:
变频器论坛
工控论坛首页
→
变频器论坛
→ 浏览主题:
[求助] 谁可以帮帮我啊~~
回帖:
8
个,阅读:
1597
次
[上一页]
[1]
[下一页]
* 帖子主题:
[求助] 谁可以帮帮我啊~~
收藏
分享到
1078
fox2004
文章数:
24
年度积分:
50
历史总积分:
1078
作者的所有帖子(24)
注册时间:
2007/2/28
发站内信
发表于:2007/3/29 15:15:00
#0楼
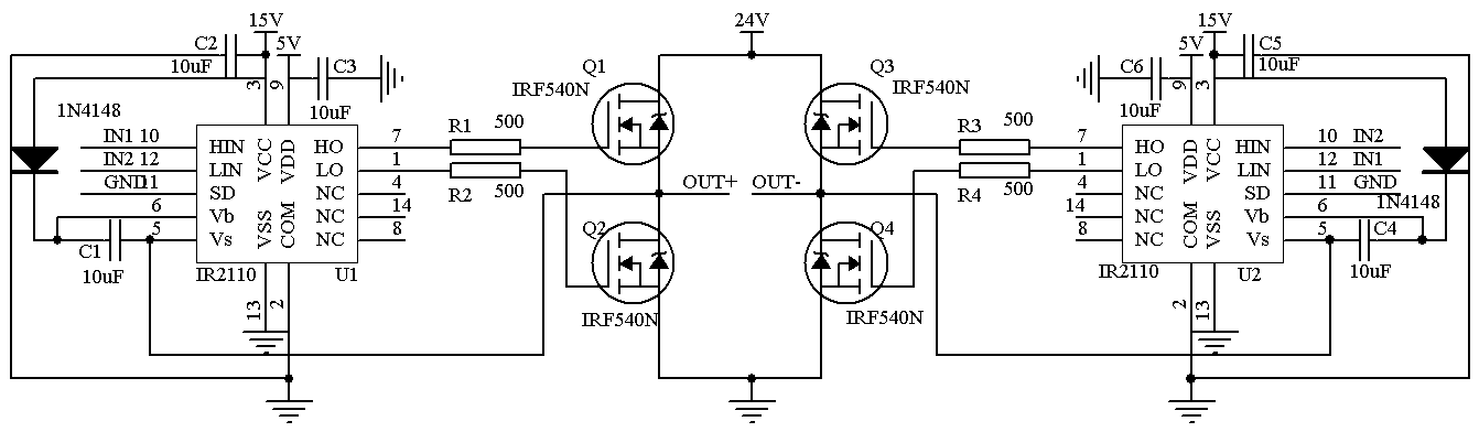
大虾,这是我用IR2110和IRF540搭建的H桥驱动电路。
输入的是PWM波,但IR2110的输入一直是HO约5V,LO一直是低电平。
为什么啊??
【方案】
台达ASD-B伺服系统在雕刻机上的应用
只看该作者
|
赞
[1]
|
踩
[0]
|
引用
|
回复
|
编辑
|
推荐
|
举报
|
结帖
|
管理
1077
fg-sz
文章数:
28
年度积分:
50
历史总积分:
1077
作者的所有帖子(28)
注册时间:
2006/10/27
发站内信
发表于:2007/3/29 19:54:00
#1楼
这是UPS的输出电路???
【方案】
英威腾GD5000系列高压变频器在中电投某电厂引风机上的应用
只看该作者
|
赞
[1]
|
踩
[0]
|
引用
|
回复
|
编辑
|
推荐
|
举报
|
管理
1078
fox2004
文章数:
24
年度积分:
50
历史总积分:
1078
作者的所有帖子(24)
注册时间:
2007/2/28
发站内信
发表于:2007/3/30 21:15:00
#2楼
是直流电机的驱动电路~~
【方案】
荷兰警方使用FLIR红外热像仪追踪罪犯
只看该作者
|
赞
[1]
|
踩
[0]
|
引用
|
回复
|
编辑
|
推荐
|
举报
|
管理
1373
llp2932
文章数:
135
年度积分:
50
历史总积分:
1373
作者的所有帖子(135)
注册时间:
2006/4/27
发站内信
发表于:2007/4/1 13:52:00
#3楼
不是很清楚IR2110的工作原理
但要完成电机的正反向驱动,两个IR2110应该同相输入,反相输出才对
将其中一个的输出端子调换一下也许能解决问题
【方案】
智能叉车 | 图尔克 Vilant 解决方案在汽车行业的应用
只看该作者
|
赞
[1]
|
踩
[0]
|
引用
|
回复
|
编辑
|
推荐
|
举报
|
管理
1078
fox2004
文章数:
24
年度积分:
50
历史总积分:
1078
作者的所有帖子(24)
注册时间:
2007/2/28
发站内信
发表于:2007/4/1 21:29:00
#4楼
IR2110的Datasheet上说输出是跟随输入变化的,所以输入是高电平输出也应该是高电平。
其实我在刚开始加PWM波的时候电机工作了一下,后来不知为什么不行了。
谁帮帮我啊~~~
【方案】
可靠的环境监测系统为生命科学研究保驾护航,深受临床试验申办者赞誉
只看该作者
|
赞
[1]
|
踩
[0]
|
引用
|
回复
|
编辑
|
推荐
|
举报
|
管理
1878
小叶
文章数:
327
年度积分:
50
历史总积分:
1878
作者的所有帖子(327)
注册时间:
2005/1/10
发站内信
发表于:2007/4/2 3:32:00
#5楼
kan
【方案】
图尔克 防爆区域的分布式I/O解决方案
只看该作者
|
赞
[1]
|
踩
[0]
|
引用
|
回复
|
编辑
|
推荐
|
举报
|
管理
468
TA变频器
文章数:
-22
年度积分:
50
历史总积分:
468
作者的所有帖子(-22)
注册时间:
2007/4/6
发站内信
发表于:2007/4/7 11:57:00
#6楼
此楼内容不符合板块规定,不予显示!
查看原帖内容>>
【方案】
FLIR Systems PathFindIR?红外热像仪提高有机废物处理厂的安全性并改善过程控制
只看该作者
|
赞
[0]
|
踩
[0]
|
引用
|
回复
|
编辑
|
推荐
|
举报
|
管理
1078
fox2004
文章数:
24
年度积分:
50
历史总积分:
1078
作者的所有帖子(24)
注册时间:
2007/2/28
发站内信
发表于:2007/4/9 13:29:00
#7楼
问题解决了,^_^
【方案】
菲茨瑙公园酒店里的智能楼宇控制
只看该作者
|
赞
[1]
|
踩
[0]
|
引用
|
回复
|
编辑
|
推荐
|
举报
|
管理
1439
ming51385
文章数:
238
年度积分:
50
历史总积分:
1439
作者的所有帖子(238)
注册时间:
2006/8/29
发站内信
发表于:2007/4/9 14:54:00
#8楼
问题解决了
説説看是如何解决的 让各位好友共享 好嗎????
【方案】
英威腾Goodrive300系列变频器在油田输油泵上的应用
只看该作者
|
赞
[1]
|
踩
[0]
|
引用
|
回复
|
编辑
|
推荐
|
举报
|
管理
工控学堂推荐视频:
PLC学习视频
变频器学习视频
西门子学习视频
三菱学习视频
更多学习视频>>
•
[视频课程]变频器维修从入门到精通
•
[视频课程]变频器PID功能精讲
•
[视频课程]汇川变频器功能参数设置及实操训练
•
[视频课程]变频器、伺服和步进驱动技术应用
•
[视频课程]西门子变频器参数设置和实操训练
•
[视频课程]PID控制规律及其应用
•
[视频课程]模拟量控制基础知识
•
[视频课程]0基础玩转变频器
•
[视频课程]三菱FX5U系列精品课程基础篇
78.0005