发表于:2020/8/22 17:02:39
#0楼
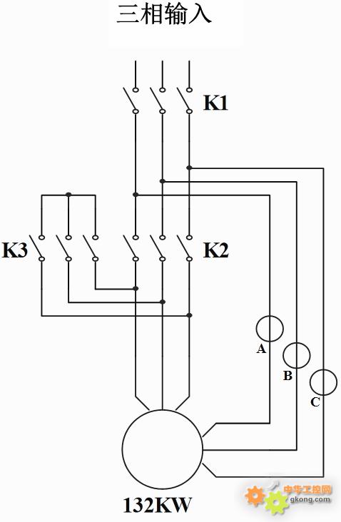
如题,一台132KW的电机,线路中标记的ABC分别为三支互感器,在启动的时候一切正常,在启动完转换到运行后,就开始电流失衡,控制设备是自己开发的,检测电流失衡只是其中一个功能。此设备在其他客户那里都正常,第一次遇到这样的问题,启动的时候,不平衡的系数都在0%-2%之间跳动,非常的小,启动完成转到运行之后,就直接跑到10%-17%之间,设备最大的不平衡系数可以调整到20%,没有办法,只能将其调整到最大,但是这么多天过去了,主电机一直很好,也没有坏,感觉有些奇怪,当时在现场量三相的电压都正常,三相误差也很小,去配电房检查了无功补偿,也在0.95左右,检查了接触器,发现其中有一个触点有点不太好,直接换了一个新的接触器,换完还是一样的效果,实在是想不明白了,请问一下,坛友可有人遇到过这种情况?如何解决的?
[此贴子已经被jint于2020/8/25 8:50:19编辑过]







