发表于:2023/2/2 8:00:00
#10楼
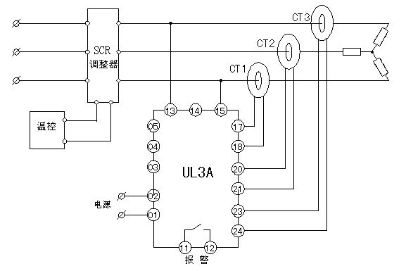
可调电流开关量电流检测器:
附件:
[本地下载]








